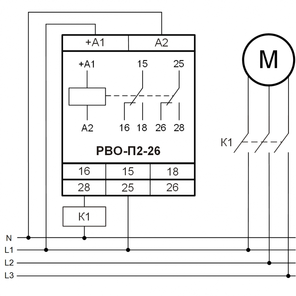
Реле времени РВО-П2-26 с выдержкой после снятия напряжения питания, только УХЛ4
|
РВО-П2-26 АСDC24-240В УХЛ4
|
стандарт |
4260.00 руб. с НДС
|
|
РВО-П2-26 АС400В УХЛ4
|
спец. изделие |
5762.00 руб. с НДС
|
| РВО-П2-27-08 AC220В УХЛ4 |
РАСПРОДАЖА
склад - 2шт.
|
-
Выдержка времени после отключения питания 0,1 - 9,9с, 1 - 99с, 0,1 - 9,9мин
-
Установка выдержки времени двухдекадным кнопочным переключателем
-
3 диаграммы работы или функция мгновенного контакта
-
2 переключающие группы контактов 8А/250В
-
Ширина корпуса 18мм
В конструкции изделия применено поляризованное электромагнитное реле с двумя устойчивыми состояниями. При транспортировки может произойти самопроизвольное переключение контактов реле из-за воздействие вибрации или одиночных ударов, что не является признаком дефектности реле. Для восстановления исходного (выключенного) состояния контактов перед вводом реле в эксплуатацию необходимо кратковременно (на 2-3 секунды) подать на реле напряжение питания.
|
Параметр
|
Ед.изм.
|
ACDC24-240В
|
AC400В
|
|
Напряжение питания
|
В
|
АCDC24-240 ± 10%
|
AC400 ± 10%
|
|
Диапазон выдержки времени
|
|
0,1 - 9,9с; 1 - 99с; 0,1 - 9,9мин
|
|
|
Погрешность отсчёта выдержки времени, не более
|
%
|
2
|
|
|
Время готовности, не более
|
с
|
1
|
|
|
Время готовности при повторном включении, не более
|
с
|
0,5
|
|
| Диаграммы работы | 26, 27, 31 | ||
| Максимальный коммутируемый ток: АС250В 50Гц (АС1)/DC30В (DC1) | А | 8 | |
|
Максимальное коммутируемое напряжение
|
В
|
400 (AC1/2A)
|
|
|
Максимальная коммутируемая мощность АС250В 50Гц (АС1)/DC30В (DC1)
|
ВА/Вт
|
2000/240
|
|
|
Максимальное напряжение между цепями питания и контактами реле
|
В
|
АС2000 (50Гц - 1мин)
|
|
| Потребляемая мощность, не более | ВА | 2 | |
|
Механическая износостойкость, не менее
|
циклов
|
10х106
|
|
|
Электрическая износостойкость, не менее
|
циклов
|
100000
|
|
|
Количество и тип контактов
|
|
2 переключающие группы
|
|
|
Степень защиты реле (по корпусу/по клеммам)
|
|
IP40/IP20
|
|
|
Диапазон рабочих температур
|
0C
|
-10...+55
|
|
|
Температура хранения
|
0C
|
-40...+70
|
|
|
Помехоустойчивость от пачек импульсов в соответствии с ГОСТ Р 51317.4.4-99 (IEC/EN 61000-4-4) |
уровень 3 (2кВ/5кГц) | ||
|
Помехоустойчивость от перенапряжения в соответствии с ГОСТ Р 51317.4.5-99 (IEC/EN 61000-4-5) |
уровень 3 (2кВ А1-А2) | ||
| Климатическое исполнение и категория размещения по ГОСТ 15150-69 (без образования конденсата) | УХЛ4 | ||
| Степень защиты реле по корпусу / по клеммам по ГОСТ 14254-96 | IP40/IP20 | ||
| Степень загрязнения в соответствии с ГОСТ 9920-89 | 2 | ||
|
Относительная влажность воздуха
|
%
|
до 80 (при 250С)
|
|
|
Высота над уровнем моря
|
м
|
2000
|
|
|
Рабочее положение в пространстве
|
|
произвольное
|
|
|
Режим работы
|
|
круглосуточный
|
|
|
Габаритные размеры
|
мм
|
18х93х62
|
|
|
Масса
|
кг
|
0,075
|
|
| Наименование |
Заказной код
(артикул)
|
Наименование файла | Файл для скачивания | Дата файла |
|
РВО-П2-26 АСDC24-240В УХЛ4 РВО-П2-26 АС400В УХЛ4 |
4640016930722 4640016932924 |
Руководство по эксплуатации | PDF Скачать v13 | 05.24 |




