Реле времени РВО-26М с выдержкой после снятия напряжения питания
|
РВО-26М ACDC24-240B УХЛ2
|
спец. изделие |
3733.00 руб. с НДС
|
|
РВО-26М ACDC24-240B УХЛ4
|
стандарт |
2608.00 руб. с НДС
|
-
Выдержка времени после отключения напряжения питания: 0,1-9,9с; 1-99с; 0,1-9,9мин
-
Установка выдержек времени осуществляется с помощью двух поворотных декадных переключателей
-
4 диаграммы работы
- 1 нормально разомкнутый контакт и 1 нормально замкнутый контакт 5А/250В
-
Индикатор наличия питания
- Корпус шириной 2/3 модуля (13 мм)
НАЗНАЧЕНИЕ
Реле времени РВО-26М (далее реле) предназначено для формирования задержки на выключение встроенного реле после снятия напряжения питания (диаграммы работы 26 и 27) или для отработки установленной выдержки времени после подачи напряжения питания.
КОНСТРУКЦИЯ
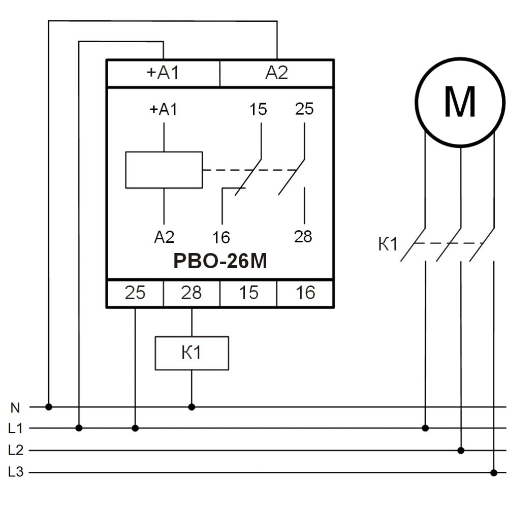
Реле выпускаются в унифицированном пластмассовом корпусе с передним присоединением проводов питания и коммутируемых электрических цепей. Крепление осуществляется на монтажную рейку-DIN шириной 35мм (ГОСТ Р МЭК 60715-2003) или на ровную поверхность. Для установки реле на ровную поверхность замки необходимо раздвинуть. Конструкция клемм обеспечивает надёжный зажим проводов сечением до 2,5мм2. На лицевой панели реле расположены: два поворотных переключателя для задания выдержки времени t (установка значений единиц 0-9 и десятков 0-9), зелёный индикатор включения питания «U». На боковой поверхности расположен DIP-переключатель для установки временного диапазона (переключатель 1, 2) и диаграммы работы (переключатель 3, 4). Положение переключателей и габаритные размеры показаны на рисунках ниже.
РАБОТА РЕЛЕ
Диаграмма работы и диапазон выдержки времени выбирается DIP-переключателем, расположенным на боковой поверхности. Для каждой диаграммы можно выбрать один из трёх (0,1с-9,9с, 1с-99с, 0,1м.-9,9м.) диапазонов выдержки времени, дополнительно для диаграмм 1 и 2 есть четвёртый диапазон 1-99мин. Требуемая временная выдержка t определяется путём умножения числового значения, установленного на переключателях “Единицы” и “Десятки”, на множитель выбранного диапазона на DIP-переключателе. Напряжение питания подаётся на клеммы «+А1» и «А2». Схема подключения реле приведена ниже и на корпусе прибора.
ВНИМАНИЕ: В конструкции изделия применено поляризованное электромагнитное реле с двумя устойчивыми состояниями. Одиночные удары во время транспортировки могут привести к самопроизвольному переключению контактов. Неправильное положение контактов перед первым включением реле не является признаком дефектности реле.
При первом включении исходное (выключенное) состояние контактов восстанавливается.
Не устанавливать реле в зоне повышенной вибрации или рядом с приборами, вызывающими вибрацию при срабатывании (например, мощные пускатели и др.).
ВНИМАНИЕ: Момент затяжки винтового соединения должен составлять 0,4 Нм. Следует использовать отвертку 0,6*3,5мм
| Параметр | Ед.изм. | РВО-26М ACDC24-240В | |
|
Напряжение питания
|
В
|
АСDC24-240
|
|
|
Диапазон выдержки времени
|
0,1-9,9с, 1-99с, 0,1-9,9м, 1-99м (только для 1, 2 диаграммы работы) | ||
|
Погрешность отсчёта выдержки времени, не более
|
5%
|
||
|
Время предварительного пребывания реле под напряжением питания для обеспечения выдержки времени с заданной точностью
|
с
|
1
|
|
|
Время готовности реле (включения реле после подачи питания)
|
с
|
0,5
|
|
|
Максимальное коммутируемое напряжение
|
В
|
400
|
|
|
Максимальный коммутируемый ток АС250В 50Гц (АС1)/DC30В (DC1)
|
А
|
5
|
|
|
Максимальная коммутируемая мощность: АС250В 50Гц (АС1)/DC30В (DC1)
|
ВА/Вт
|
1250/150
|
|
|
Максимальное напряжение между цепями питания и контактами
|
В
|
2000 (АС 50 Гц 1 минута)
|
|
| Потребляемая мощность, не более | BA | 2 | |
|
Механическая износостойкость, не менее
|
циклов
|
1х107
|
|
|
Электрическая износостойкость, не менее
|
циклов
|
1х105
|
|
|
Количество и тип контактов
|
|
1 NO, 1 NC
|
|
|
Диапазон рабочих температур (по исполнениям)
|
0С
|
-25…+55 (УХЛ4)
-40…+55 (УХЛ2)
|
|
|
Температура хранения
|
0С
|
-40...+70
|
|
| Помехоустойчивость от пачек импульсов в соответствии с ГОСТ Р 51317.4.4-99 (IEC/EN 61000-4-4) | уровень 3 (2кВ/5кГц) | ||
| Помехоустойчивость от пачек импульсов в соответствии с ГОСТ Р 51317.4.5-99 (IEC/EN 61000-4-5) | уровень 3 (2кВ +А1-А2) | ||
| Климатическое исполнение и категория размещения по ГОСТ 15150-69 (без образования конденсата) | УХЛ4 или УХЛ2 | ||
| Степень защиты реле по корпусу/по клеммам по ГОСТ 14254-96 | IP40/IP20 | ||
|
Относительная влажность воздуха (при 25°С), не более
|
до 80%
|
||
|
Высота над уровнем моря, не более
|
м
|
2000
|
|
|
Рабочее положение в пространстве
|
|
произвольное
|
|
|
Режим работы
|
|
круглосуточный
|
|
|
Габаритные размеры
|
мм
|
13х93х62
|
|
|
Масса
|
кг
|
0,056
|
|
ДИАГРАММЫ РАБОТЫ РЕЛЕ
РАСПОЛОЖЕНИЕ КЛЕММ
ПРИМЕР СХЕМЫ ПОДКЛЮЧЕНИЯ РЕЛЕ
ГАБАРИТНЫЕ РАЗМЕРЫ РЕЛЕ
ТУ 3425-003-31928807-2014
Сертификат соответствия EAC: смотреть
Вопросы производителю и обсуждения - здесь
| Наименование |
Заказной код
(артикул)
|
Наименование файла | Файл для скачивания | Дата файла |
|
РВО-26М ACDC24-240B УХЛ2 РВО-26М ACDC24-240B УХЛ4 |
4640016936878 4640016936861 |
Руководство по эксплуатации | PDF Скачать v09 | 04.25 |
| PDF Скачать v08 | 02.25 | |||
| 3D модель | STEP Скачать | 03.25 |
Русский


