Реле термисторной защиты РТЗ-1М в ультратонком корпусе 13мм!
|
РТЗ-1М AC230В УХЛ2
|
спец. изделие | 3112.00 руб. с НДС |
| РТЗ-1М AC230В УХЛ4 | стандарт | 2255.00 руб. с НДС |
| РТЗ-1М DC24В УХЛ2 | спец. изделие | 3112.00 руб. с НДС |
| РТЗ-1М DC24В УХЛ4 | спец. изделие | 3112.00 руб. с НДС |
- Защита двигателей и другого оборудования от критического нагрева
- Встроенное реле с 1 нормально разомкнутым контактом 3А
- Отключение при коротком замыкании измерительной цепи
- Индикация причины размыкания реле
- Корпус шириной 13мм
НАЗНАЧЕНИЕ РЕЛЕ
Термисторное реле РТЗ-1М (далее устройство) предназначено для отключения встроенным реле (дале реле) защищаемого оборудования при его критическом нагреве, измеряемом терморезистивным датчиками (далее позисторы).
КОНСТРУКЦИЯ РЕЛЕ
На лицевой панели устройства расположены: зелѐный индикатор нормального питания "U", жѐлтый индикатор замкнутого состояния контактов реле "
", красные индикаторы "Перегрев" и "КЗ", уточняющие причину размыкания контактов реле.
", красные индикаторы "Перегрев" и "КЗ", уточняющие причину размыкания контактов реле.
Контакты реле изолированы и выведены на клеммы "11"и "14".
Корпус пластмассовый унифицированный. Установка на монтажную рейку DIN 35 (ГОСТ Р МЭК 60715-2003) или на плоскость.
Для крепления на плоскость, выдвинуть из корпуса оба замка(язычка) фиксации устройства к рейке, и использовать открывшиеся отверстия в замках для крепления шурупом (или подобным элементом).
Габаритные размеры реле приведены на рис. ниже.
Клеммы винтовые, максимальное сечение подключаемого провода 2.5мм2 . Доступ к головкам винтов со стороны лицевой панели.
Устройство выпускается в исполнениях питания 230 В(АС) и 24 В(DC).
РАБОТА РЕЛЕ
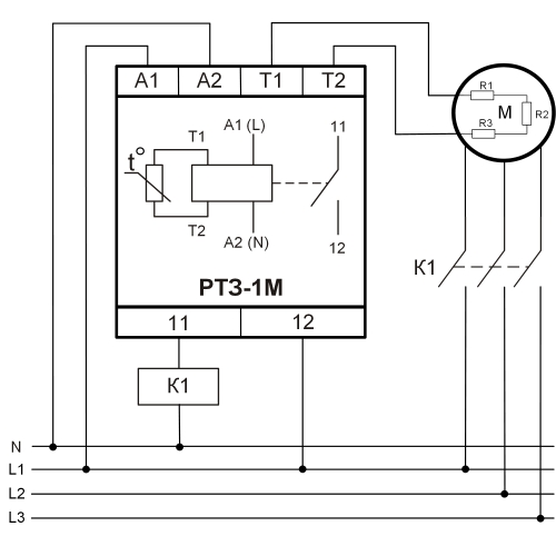
Устройство следит за сопротивлением измерительной цепи (дале ИЦ), подключаемой между клеммам "Т1" и "Т2", состоящей из последовательно соединѐнных проводников и позисторов (резистор с положительным температурным коэффициентом изменения сопротивления (ТКС)). Позисторы могут быть встроенными в защищаемые объекты (например, в обмотки двигателей) или располагаться произвольно. Запрещается электрический контакт токопроводящих элементов позисторов с корпусом и электрическими цепями защищаемого оборудования и других объектов, если питание устройства не изолировано от них. При необходимости используйте диэлектрическую термопроводящую изоляцию (прокладки).
Так как позисторы подключены последовательно, повышение температуры в зоне установки любого из них вызовет повышение сопротивления всей ИЦ и оно будет более, чем сопротивление максимально нагретого позистора. При превышении сопротивления ИЦ порогового значения Rнагр, устройство разомкнѐт контакты реле и включит индикатор "Перегрев" (светится).
Контакты реле используется для управления работой защищаемого оборудования: разомкнуто - оборудование отключается, замкнуто - работа разрешена.
При сопротивлении ниже порогового значения Rохл (но выше Rкз), устройство замыкает контакты реле и выключает индикатор перегрев (гистерезис по нагреву).
Если сопротивление ИЦ станет менее порога Rкз (возможно вызванным коротким замыканием в ИЦ) устройство размыкает контакты реле и включает индикатор "КЗ" (светится). После увеличения сопротивления выше Rкз, но не выше Rнагр, устройство замыкает контакты реле и гасит индикатор "КЗ".
При расчѐте(выборе) позисторов для ИЦ следует учитывать, что общий нагрев объекта приводит к возрастанию сопротивления многих (всех) позисторов, сопротивление ИЦ может превысить порог Rохл даже при не критически высоких температурах (реле не замкнѐтся). Проблема решается сокращением количества позисторов в ИЦ (обычно не боле 6). Если сокращение не желательно, то следует применить несколько устройств с контактами реле, соединѐнными последовательно.
Устройство тестировалось с позисторами типа СТ14.2. Могут применяться любые другие по требованиям DIN44081 и DIN44082.
Rкз, довольно низок, поэтому, при использовании проводов большой длины и малых сечений, защита по Кз может не сработать. Схема подключения по исполнениям показана на рисунках ниже. Полярность для обоих типов питания - не важна. При отключенном или не нормальном питании контакты реле разомкнуты.
|
Параметр
|
Ед.изм.
|
Значение | |
| AC230 | DC24 | ||
| Питание | |||
| Напряжения питания нормальное1) | В | 200 ... 260 | 21 ... 28 |
| Потребляемая мощность, не более | 2 ВА | 0.7 Вт | |
|
Измерительная цепь (Т1-Т2)
|
|||
| Количество позисторов в измерительной цепи, не более |
шт.
|
6
|
|
|
Функция контроля К3
|
|
есть
|
|
|
Сопротивление Rнагр. (выключение при нагреве)
|
кОм
|
3,4 ± 10%
|
|
|
Сопротивление Rохл. (включение после охлаждения)
|
кОм
|
2,3 ± 10%
|
|
| Сопротивление Rкз (выключение при низком сопротивлении), не более 2) |
Ом
|
10
|
|
| Сопротивление минимальное в измерительной цепи в холодном состоянии |
Ом
|
40 ± 5%
|
|
| Сопротивление максимальное в измерительной цепи в холодном состоянии |
кОм
|
1,5 ± 5%
|
|
| Задержка коммутации реле, не более |
с
|
0,1
|
|
|
Реле
|
|||
|
Количество и тип контактов
|
|
1, обесточен: разомкнут
|
|
| Коммутируемое напряжение, максимальное |
В
|
250(АС1 50Гц), 30(DC1)
|
|
| Коммутируемая мощность, максимальная, 250В(АС1 50Гц) / 30В(DC1) |
ВА/Вт
|
1250 / 150
|
|
|
Ток коммутируемый, максимальный, 250В(АС1 50Гц) / 30В(DС1)
|
А
|
3
|
|
| Износостойкость механическая , не менее |
циклов
|
1х107
|
|
| Износостойкость электрическая , не менее, 250В(АС1 50Гц), 30В(DC1), цикл Вкл. 1с. / Выкл 9с |
циклов
|
1х105
|
|
|
Общие параметры
|
|||
| Температура рабочая |
0С
|
-25...+55 (УХЛ4)
-40...+55 (УХЛ2)
|
|
|
Температура хранения
|
0С
|
-40...+70
|
|
| Помехоустойчивость от пачек импульсов в соответствии с ГОСТ Р 51317.4.4-99 (IEC/EN 61000-4-4) | уровень 3 (2кВ/5кГц) | ||
| Помехоустойчивость от перенапряжения в соответствии с ГОСТ Р 51317.4.5-99 (IEC/EN 61000-4-5) | уровень 3 (2кВ А1-А2) | ||
| Исполнение климатическое и категория размещения по ГОСТ 15150-69 (без образования конденсата) | УХЛ4 или УХЛ2 | ||
| Степень защиты по корпусу / по клеммам по ГОСТ 14254-96 | IP40/IP20 | ||
| Степень загрязнения в соответствии с ГОСТ 9920-89 | 2 | ||
|
Режим работы
|
|
круглосуточный
|
|
|
Рабочее положение в пространстве
|
|
произвольное
|
|
|
Габаритные размеры
|
мм
|
13х93х62
|
|
|
Масса
|
г
|
50
|
|
ДИАГРАММЫ РАБОТЫ РЕЛЕ
|
РАСПОЛОЖЕНИЕ КЛЕММ AC230
|
РАСПОЛОЖЕНИЕ
КЛЕММ 24DC |
ПРИМЕР ИЦ
|
|
Пример схемы подключения РТЗ-1М
|
||
|
|
||
ГАБАРИТНЫЕ РАЗМЕРЫ РЕЛЕ
ТУ 3425-003-31928807-2014
Сертификат соответствия EAC: смотреть
| Наименование |
Заказной код
(артикул)
|
Наименование файла | Файл для скачивания | Дата файла |
|
РТЗ-1М AC230В УХЛ2 |
4640016936991 |
Руководство по эксплуатации | PDF Скачать v12 | 01.2026 |
| PDF Скачать v10 | 02.2023 | |||
| 3D модель | STEP Скачать | 02.2023 |
Русский






