Реле времени РВЦ-1М в ультратонком корпусе 13мм!
|
РВЦ-1М ACDC24В/АС230В УХЛ2
|
спец.изделие |
3535.00 руб. с НДС
|
| РВЦ-1М ACDC24В/АС230В УХЛ4 | стандарт |
2458.00 руб. с НДС
|
-
Циклическое реле времени с раздельной регулировкой времени импульса и паузы
-
Диапазон выдержки времени от 1с до 30ч
-
Установка выдержек времени осуществляется с помощью двух поворотных декадных переключателей
-
4 диаграммы работы
-
1 переключающая группа контактов 3А/250В
-
Индикатор наличия питания и состояния встроенного реле
-
Корпус шириной 13мм
НАЗНАЧЕНИЕ РЕЛЕ
Реле времени РВЦ-1М предназначено для коммутации электрических цепей в циклическом режиме работы с предварительно установленными выдержками времени (паузы и импульса).
КОНСТРУКЦИЯ РЕЛЕ
Реле выпускаются в унифицированном пластмассовом корпусе с передним присоединением проводов питания и коммутируемых электрических цепей. Крепление осуществляется на монтажную рейку-DIN шириной 35 мм (ГОСТ Р МЭК 60715-2003) или на ровную поверхность. Для установки реле на ровную поверхность замки необходимо раздвинуть. Конструкция клемм обеспечивает надёжный зажим проводов сечением до 2,5мм2. На лицевой панели реле расположены: поворотный переключатель установки выдержки времени паузы «tпаузы», поворотный переключатель установки выдержки времени импульса «tимпульса», жёлтый индикатор срабатывания встроенного реле «
», зелёный индикатор включения напряжения питания «U». На боковой поверхности расположен DIP-переключатель для выбора диапазона времени паузы (1, 2, 3 переключатели), диапазона времени импульса (4, 5, 6 переключатели) и диаграммы работы (7, 8 переключатели).
», зелёный индикатор включения напряжения питания «U». На боковой поверхности расположен DIP-переключатель для выбора диапазона времени паузы (1, 2, 3 переключатели), диапазона времени импульса (4, 5, 6 переключатели) и диаграммы работы (7, 8 переключатели).
РАБОТА РЕЛЕ
Реле имеет 8 поддиапазонов выдержки времени паузы и 8 поддиапазонов выдержки времени импульса. Требуемая выдержка паузы (tп) устанавливается поворотным переключателем «tпаузы» в пересчёте на временной диапазон выбранный DIP- переключателем. Требуемая выдержка импульса (tи) устанавливается поворотным переключателем «tимпульса» в пересчёте на временной диапазон выбранный DIP-переключателем.
Диаграмма работы реле устанавливается с помощью DIP-переключателя.
Диаграмма работы реле устанавливается с помощью DIP-переключателя.
ВНИМАНИЕ: Смена диаграммы работы и множителей возможна только после снятия напряжения питания.
В обесточенном состоянии замкнуты контакты 15-16. После подачи напряжения питания загорается зелёный индикатор «U», реле начинает отрабатывать выбранную диаграмму, во время отсчёта заданной выдержки времени зелёный индикатор «U» мигает. При включении встроенного реле загорается жёлтый индикатор «
» при этом замыкаются контакты 15-18.
В обесточенном состоянии замкнуты контакты 15-16. После подачи напряжения питания загорается зелёный индикатор «U», реле начинает отрабатывать выбранную диаграмму, во время отсчёта заданной выдержки времени зелёный индикатор «U» мигает. При включении встроенного реле загорается жёлтый индикатор «
» при этом замыкаются контакты 15-18.|
Параметр
|
Ед. изм.
|
РВЦ-1М
|
|||
|
Напряжение питания
|
В
|
АСDC24/AC230
|
|||
|
Диапазоны выдержки времени импульса и паузы
|
|
1-10с, 3-30с, 10-100с, 1-10мин, 3-30мин, 10-100мин, 1-10ч, 3-30ч
|
|||
|
Погрешность установки выдержки времени, не более
|
%
|
10
|
|||
|
Погрешность отсчета выдержки времени, не более
|
%
|
2
|
|||
|
Время повторной готовности, не более
|
с
|
0,1
|
|||
|
Время воздействия управляющего сигнала, не менее
|
с
|
0,05
|
|||
|
Диаграммы работы
|
|
7, 8, 9 и 10
|
|||
|
Максимальный коммутируемый ток: АС250В 50Гц (АС1)/DC30В (DC1)
|
А
|
3
|
|||
|
Максимальное напряжение
|
В
|
400
|
|||
|
Максимальная коммутируемая мощность: АС250В 50Гц (АС1)/DC30В (DC1)
|
ВА/Вт
|
750/90
|
|||
|
Максимальное напряжение между цепями питания и контактами реле
|
В
|
AC2000 (50Гц - 1мин)
|
|||
|
Потребляемая мощность, не более
|
ВА
|
2
|
|||
|
Механическая износостойкость, не менее
|
циклов
|
10х106
|
|||
|
Электрическая износостойкость, не менее
|
циклов
|
100000
|
|||
|
Количество и тип контактов
|
|
1 переключающая группа
|
|||
|
Диапазон рабочих температур (по исполнениям)
|
0С
|
-25…+55 (УХЛ4)
-40…+55 (УХЛ2)
|
|||
|
Температура хранения
|
0С
|
-40 ... +70
|
|||
|
Помехоустойчивость от пачек импульсов в соответствии с ГОСТ Р 51317.4.4-99 (IEC/EN 61000-4-4)
|
|
уровень 3 (2кВ/5кГц)
|
|||
|
Помехоустойчивость от перенапряжения в соответствии с ГОСТ Р 51317.4.5-99 (IEC/EN 61000-4-5)
|
|
уровень 3 (2кВ А1-А2)
|
|||
|
Климатическое исполнение и категория размещения по ГОСТ 15150-69
|
|
УХЛ4 и УХЛ2
|
|||
|
Степень защиты по корпусу/по клеммам
|
|
IP40/IP20
|
|||
|
Степень загрязнения в соответствии с ГОСТ 9920-89
|
|
2
|
|||
|
Относительная влажность воздуха
|
%
|
до 80 (при 250С)
|
|||
|
Высота над уровнем моря
|
м
|
до 2000
|
|||
|
Рабочее положение в пространстве
|
|
произвольное
|
|||
|
Режим работы
|
|
круглосуточный
|
|||
|
Габаритные размеры
|
мм
|
13х93х62
|
|||
|
Масса не более
|
кг
|
0,065
|
|||
НАСТРОЙКА DIP - ПЕРЕКЛЮЧАТЕЛЯ РЕЛЕ
ДИАГРАММЫ РАБОТЫ РЕЛЕ
|
DIP-переключатель в положении
А и C
|
Циклическое включение и отключение реле (бесконечный цикл). При подаче напряжения питания начинается отсчёт выдержки времени tп, после отработки времени паузы исполнительное реле включается и начинается отсчёт выдержки времени tи, после отработки времени импульса исполнительное реле выключается. Цикл повторяется до снятия напряжения питания.
|
|
Циклическое включение и отключение реле (бесконечный цикл). При подаче напряжения питания исполнительное реле включается и начинается отсчёт выдержки времени tи, после отработки времени импульса исполнительное реле выключается и начинается отсчёт выдержки времени tп. Цикл повторяется до снятия напряжения питания.
|
|
|
DIP-переключатель в положении
А и D
|
Циклическое реле с однократным циклом. При замыкании управляющего контакта начинается отсчёт выдержки времени tп, после отработки времени паузы исполнительное реле включается и начинается отсчёт выдержки времени tи, после отработки времени импульса исполнительное реле выключается.
|
|
DIP-переключатель в положении B и D
|
Циклическое реле с однократным циклом. При подаче напряжения питания исполнительное реле включается, отсчёт выдержки времени tи начинается после замыкания управляющего контакта, после отработки времени импульса исполнительное реле выключается и начинается отсчёт выдержки времени tп, после отработки времени паузы исполнительное реле включается.
|
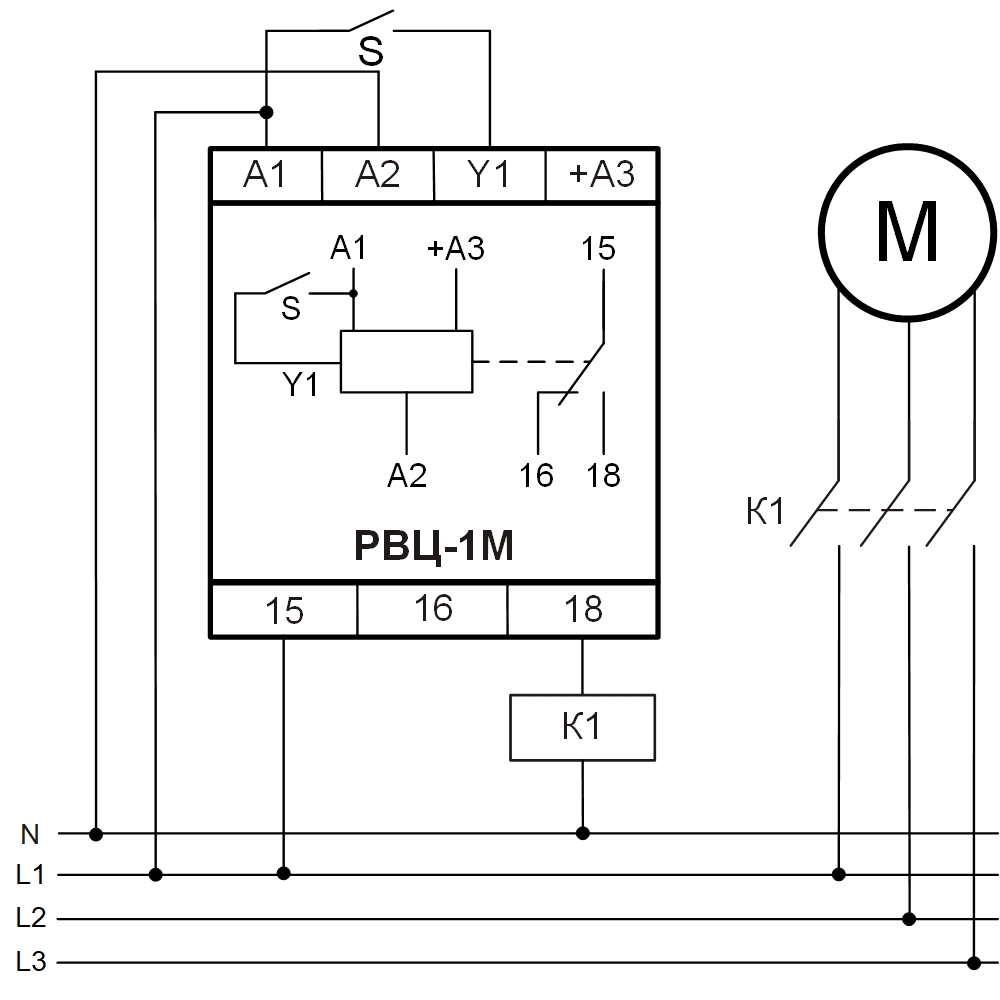
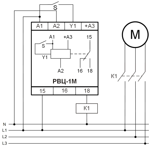
РАСПОЛОЖЕНИЕ КЛЕММ
Напряжение питания АС230В подаётся на клеммы «А1» и «А2», ACDC24В на клеммы «+А3» и «А2». Команда внешнего управления подаётся на клемму «Y1» и формируется замыканием сухого контакта «S» между клеммой «Y1» и клеммой «А1» или «+А3».
ПРИМЕР СХЕМЫ ПОДКЛЮЧЕНИЯ РЕЛЕ
ГАБАРИТНЫЕ РАЗМЕРЫ РЕЛЕ
ТУ 3425-007-31928807-2014
Сертификат соответствия EAC: смотреть
Форум и обсуждения - здесь
| Наименование |
Заказной код
(артикул)
|
Наименование файла
|
Файл для скачивания | Дата файла |
|
РВЦ-1М ACDC24В/АС230В УХЛ2 |
4640016936915 |
Руководство по эксплуатации | PDF Скачать v11 | 05.24 |
| 3D модель | STEP Скачать | 02.21 | ||
Русский


