Реле времени РВО-П2-М-15 многофункциональное (8 функций), дискретная установка, 2 переключающих контакта, только УХЛ4
|
РВО-П2-М-15 АСDC24-245В УХЛ4
|
стандарт |
3947.00 руб. с НДС
|
|
РВО-П2-М-15 АСDC10-30В УХЛ4
|
спец. изделие |
5331.00 руб. с НДС
|
-
Диапазон выдержки времени от 0,1с до 99ч
-
Установка выдержки времени двухдекадным кнопочным переключателем
-
8 диаграмм работы
-
2 переключающие группы контактов 8А/250В
-
Индикатор наличия питания, цепи управления, исполнительного реле
-
Корпус шириной 18мм
НАЗНАЧЕНИЕ РЕЛЕ
Реле времени РВО-П2-М-15 предназначено для выдачи команд в цепи схем управления через контакты реле после отработки установленной выдержки времени по заданному алгоритму работы. Реле применяется в системах автоматики, как комплектующие изделие.
КОНСТРУКЦИЯ РЕЛЕ
Реле выпускаются в унифицированном пластмассовом корпусе с передним присоединением проводов питания и коммутируемых электрических цепей. Крепление осуществляется на монтажную рейку - DIN шириной 35мм (ГОСТ Р МЭК 60715 - 2003) или на ровную поверхность. Для установки реле на ровную поверхность, фиксаторы замков необходимо переставить в крайние отверстия, расположенные на тыльной стороне корпуса. Конструкция клемм обеспечивает надёжный зажим проводов сечением до 2,5мм2. На лицевой панели реле расположены: два кнопочных переключателя установки выдержки времени (t) «десятки» и «единицы», DIP-переключатель для выбора диаграммы работы и временных поддиапазонов, зелёный индикатор включения питания «U», синий индикатор «Y1» наличия сигнала внешнего запуска, жёлтый индикатор срабатывания встроенного электромагнитного реле «
».
».
РАБОТА РЕЛЕ
Реле имеет 8 диапазонов выдержки времени. Соответствующий диапазон устанавливается с помощью DIP-переключателей 1, 2, 3. Время выдержки определяется, как значение установленное на кнопочных переключателях «десятки» и «единицы» и умноженное на коэффициент определяемый положением DIP переключателей. Диаграмма работы выбирается с помощью DIP-переключателей 4, 5, 6. При включении исполнительного реле, горит жёлтый индикатор «
» и замкнуты контакты реле 15-18, 25-28. При отключении исполнительного реле жёлтый индикатор «
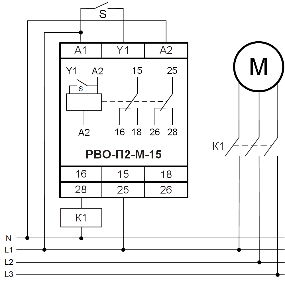
» гаснет и замыкаются контакты 15-16, 25-26. При отсчёте установленной выдержки времени индикатор питания «U» загорается периодически. Сигнал внешнего запуска формируется путём замыкания сухого контакта S между клеммами «+А1» и «Y1», при наличии сигнала внешнего запуска загорается синий индикатор. Напряжение питания подаётся на клеммы «+А1» и «А2». При питании постоянным током «+U» всегда подключается на клемму «+А1».
» и замкнуты контакты реле 15-18, 25-28. При отключении исполнительного реле жёлтый индикатор «
» гаснет и замыкаются контакты 15-16, 25-26. При отсчёте установленной выдержки времени индикатор питания «U» загорается периодически. Сигнал внешнего запуска формируется путём замыкания сухого контакта S между клеммами «+А1» и «Y1», при наличии сигнала внешнего запуска загорается синий индикатор. Напряжение питания подаётся на клеммы «+А1» и «А2». При питании постоянным током «+U» всегда подключается на клемму «+А1».
ВНИМАНИЕ: Для изменения диапазона выдержки времени или диаграммы работы реле необходимо выключить.
|
Параметр
|
Ед.изм.
|
РВО-П2-М-15 ACDC24-245В
|
РВО-П2-М-15 ACDC10-30В
|
|
Напряжение питания
|
В
|
АСDC24-245
|
ACDC10-30
|
|
Диапазоны выдержки времени
|
|
0,1-9,9с, 1- 99с, 10-990с, 0,1- 99мин, 10- 990мин, 0,1-9,9ч, 1- 99ч
|
|
|
Погрешность отсчёта выдержки времени, не более
|
%
|
5
|
|
|
Время готовности, не более
|
с
|
0,15
|
|
|
Время готовности при повторном включении, не более
|
с
|
0,1
|
|
|
Время воздействия управляющего сигнала, не менее
|
с
|
0,05
|
|
|
Диаграммы работы
|
|
1,2,7,8 и 4,12,28,29
|
|
|
Максимальное коммутируемое напряжение
|
В
|
400 (AC1/2A)
|
|
|
Максимальный коммутируемый ток при активной нагрузке АС250В 50Гц (АС1)/DC30B (DC1)
|
А
|
8
|
|
|
Максимальная коммутируемая мощность: АС250В 50Гц (АС1) / DC30В (DC1)
|
ВА/Вт
|
2000/240
|
|
|
Максимальное напряжение между цепями питания и контактами реле
|
В
|
АС2000 (50Гц - 1мин)
|
|
| Потребляемая мощность, не более | ВА | 2 | |
|
Механическая износостойкость, не менее
|
циклов
|
10х106
|
|
|
Электрическая износостойкость, не менее
|
циклов
|
100000
|
|
|
Количество и тип контактов
|
|
2 переключающие группы
|
|
|
Степень защиты реле по корпусу/по клеммам
|
|
IP40/IP20
|
|
|
Диапазон рабочих температур
|
0С
|
-10...+55
|
|
|
Температура хранения
|
0С
|
-40...+70
|
|
| Помехоустойчивость от перенапряжения в соответствии с ГОСТ Р 51317.4.5-99 (IEC/EN 61000-4-5) | уровень 3 (2кВ/5кГц) | ||
| Помехоустойчивость от перенапряжения в соответствии с ГОСТ Р 51317.4.5-99 (IEC/EN 61000-4-5) | уровень 3 (2кВ А1-А2) | ||
| Климатическое исполнение и категория размещения по ГОСТ 15150-69 (без образования конденсата) | УХЛ4 | ||
| Степень загрязнения в соответствии с ГОСТ 9920-89 | 2 | ||
|
Относительная влажность воздуха
|
%
|
до 80 (при 250С)
|
|
|
Высота над уровнем моря
|
м
|
2000
|
|
|
Рабочее положение в пространстве
|
|
произвольное
|
|
|
Режим работы
|
|
круглосуточный
|
|
|
Габаритные размеры
|
мм
|
18х93х62
|
|
|
Масса
|
кг
|
0,075
|
|
ДИАГРАММЫ РАБОТЫ РЕЛЕ
РАСПОЛОЖЕНИЕ КЛЕММ
ПРИМЕР СХЕМЫ ПОДКЛЮЧЕНИЯ РЕЛЕ
ГАБАРИТНЫЕ РАЗМЕРЫ РЕЛЕ
ТУ 3425-007-31928807-2014
Сертификат соответствия EAC: смотреть
Форум и обсуждения - здесь
| Наименование |
Заказной код
(артикул)
|
Наименование файла | Файл для скачивания | Дата файла |
|
РВО-П2-М-15 АСDC24-245В УХЛ4 РВО-П2-М-15 АСDC10-30В УХЛ4 |
4640016932306 4640016930746 |
Руководство по эксплуатации | PDF Скачать v15 | 05.24 |
| 3D модель | STEP Скачать | 11.22 |
Русский




