Реле времени РВЦ-П2-22 циклическое с 4 диаграммами и внешнем запуском в корпусе 22мм!
| РВЦ-П2-22 ACDC24В/АС230В УХЛ4 |
3818.00 руб. с НДС
|
-
Циклическое реле времени с раздельной регулировкой времени импульса и паузы
-
Диапазон выдержки времени от 0,1с до 99ч
-
Установка выдержки времени осуществляется с помощью двух декадных кнопочных переключателей
-
4 диаграммы работы
-
2 переключающие группы контактов 3А/250В
-
Индикатор наличия питания и состояния встроенного реле
-
Корпус шириной 22мм
НАЗНАЧЕНИЕ РЕЛЕ
Реле времени РВЦ-П2-22 предназначено для коммутации электрических цепей с предварительно установленными выдержками времени (паузы и импульса).
КОНСТРУКЦИЯ
Реле выпускаются в унифицированном пластмассовом корпусе с передним присоединением проводов питания и коммутируемых электрических цепей. Крепление осуществляется рейку-DIN шириной 35мм (ГОСТ Р МЭК 60715-2003) или на ровную поверхность. Для установки реле на ровную поверхность замки необходимо раздвинуть. Конструкция клемм обеспечивает надёжный зажим проводов сечением до 2,5мм2. На лицевой панели реле расположены: кнопочный переключателя установки выдержки времени паузы tп (установка значений десятков 0-9 и единиц 0-9), кнопочный переключателя установки выдержки времени импульса tи (установка значений десятков 0-9 и единиц 0-9), зелёный индикатор включения напряжения питания «U», жёлтый индикатор срабатывания встроенного реле «
». На боковой поверхности расположены два DIP-переключателя для выбора диапазонов времени паузы tп и времени импульса tи (переключатели 1-3) и диаграммы работы (переключатели 4).
». На боковой поверхности расположены два DIP-переключателя для выбора диапазонов времени паузы tп и времени импульса tи (переключатели 1-3) и диаграммы работы (переключатели 4).
РАБОТА РЕЛЕ
Реле имеет 8 поддиапазонов выдержки времени паузы и 8 поддиапазонов выдержки времени импульса. Требуемая временная выдержка tп определяется путём умножения числового значения, установленного на переключателях «десятки» и «единицы» паузы, на множитель выбранного диапазона на DIP-переключателе выбора времени паузы. Временная выдержка tи определяется путём умножения числового значения, установленного на переключателях «десятки» и «единицы» импульса, на множитель выбранного диапазона на DIP-переключателе выбора времени импульса.
Диаграмма работы реле определяется положением «4» DIP-переключателей паузы и импульса. Каждый из переключателей имеет две зоны установки. У DIP-переключателя паузы зоны «А» и «В», у DIP-переключателя импульса зоны «С» и «D». В зависимости от комбинации установленных переключателей выбирается одна из четырёх диаграмм работы реле.
Диаграмма работы реле определяется положением «4» DIP-переключателей паузы и импульса. Каждый из переключателей имеет две зоны установки. У DIP-переключателя паузы зоны «А» и «В», у DIP-переключателя импульса зоны «С» и «D». В зависимости от комбинации установленных переключателей выбирается одна из четырёх диаграмм работы реле.
ВНИМАНИЕ! Смена диаграммы работы и множителей возможна только после снятия напряжения питания. Значения на переключателях «десятки» и «единицы», можно изменять при поданном питании на реле.
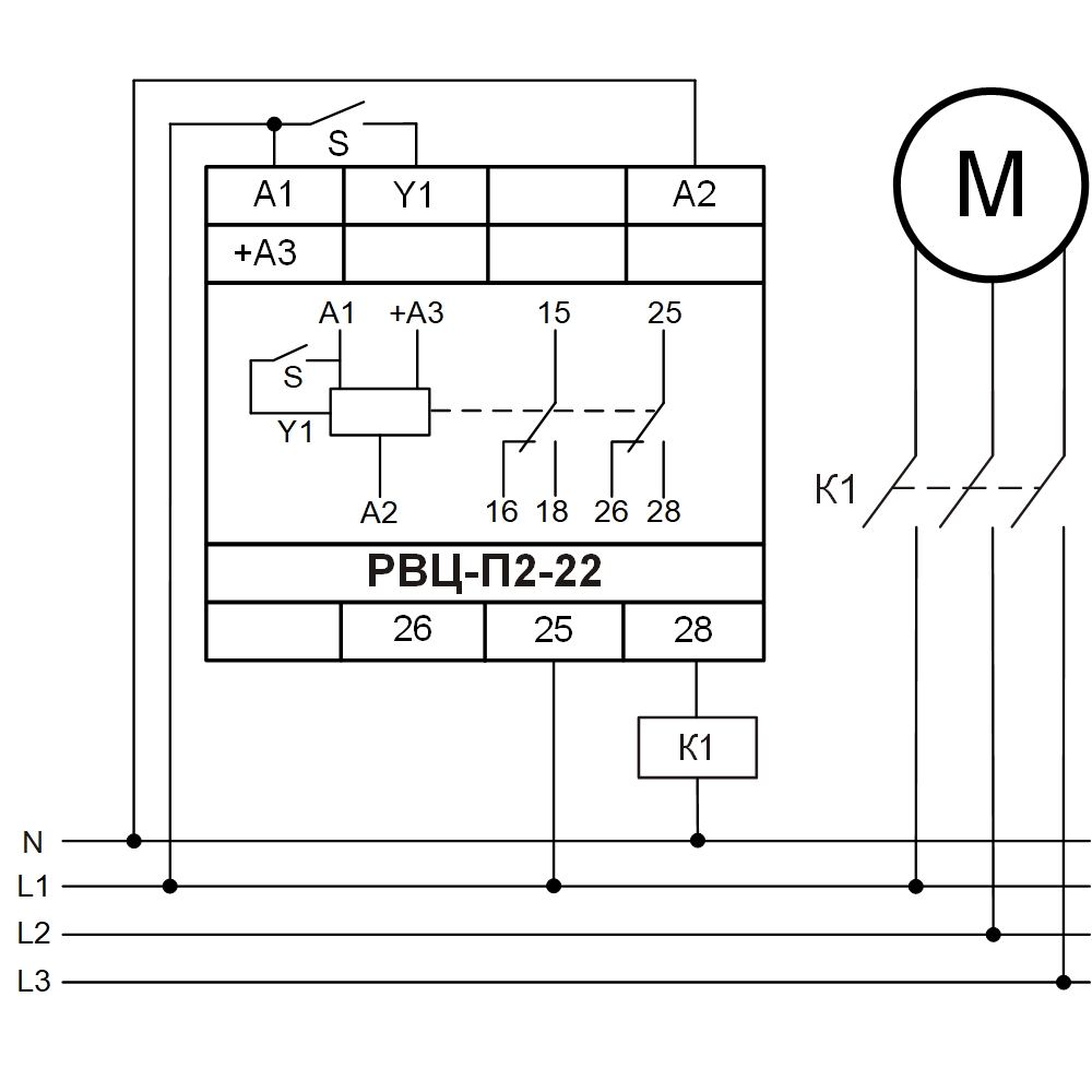
В обесточенном состоянии замкнуты контакты 15-16 и 25-26. После подачи напряжения питания загорается зелёный индикатор «U» реле начинает отрабатывать выбранную диаграмму, во время отсчёта заданной выдержки времени зелёный индикатор «U» включается с периодичностью 0,5с. При включении встроенного реле включается жёлтый индикатор «
» при этом контакты 15-16 и 25-26 размыкаются, а контакты 15-18 и 25-28 замыкаются.
» при этом контакты 15-16 и 25-26 размыкаются, а контакты 15-18 и 25-28 замыкаются.
ПОЛОЖЕНИЕ DIP-ПЕРЕКЛЮЧАТЕЛЕЙ
| Параметр | Ед.изм. | РВЦ-П2-22 |
|
Напряжение питания
|
В | АСDC24±10%, AC230±10% |
| Диапазоны выдержки времени импульса и паузы | 0,1-9,9с, 1-99с, 10-990с, 0,1-9,9мин, 1-99мин, 10-990мин, 0,1-9,9ч, 1-99ч | |
|
Погрешность отсчета выдержки времени, не более
|
% |
2
|
|
Время готовности, не более
|
с |
0,15
|
|
Время повторной готовности, не более
|
с |
0,1
|
|
Время воздействия управляющего сигнала, не менее
|
с |
0,05
|
| Диаграммы работы | 7, 8, 9 ,10 | |
| Максимальное коммутируемое напряжение | В | 400 |
| Максимальный коммутируемый ток: АС250В 50Гц (АС1)/DC30В (DC1) | А | 3 |
|
Максимальная коммутируемая мощность: АС250В 50Гц (АС1)/DC30В (DC1)
|
ВА/Вт |
750/90
|
| Ток всех групп суммарный, максимальный1 (240В АС1 50Гц) / (30В DC1) | 4.5 | |
|
Максимальное напряжение между цепями питания и контактами реле
|
В |
АС2000 (50Гц - 1мин)
|
| Потребляемая мощность, не более | ВА | 2 |
|
Механическая износостойкость, не менее
|
циклов |
10х106
|
|
Электрическая износостойкость, не менее
|
циклов |
100000
|
| Количество и тип контактов | 2 переключающие группы | |
|
Диапазон рабочих температур
|
0С |
-10....+55
|
|
Температура хранения
|
0С |
-40...+70
|
| Помехоустойчивость от пачек импульсов в соответствии с ГОСТ Р 51317.4.4-99 (IEC/EN 61000-4-4) | уровень 3 (2кВ/5кГц) | |
| Помехоустойчивость от перенапряжения в соответствии с ГОСТ Р 51317.4.5-99 (IEC/EN 61000-4-5) | уровень 3 (2кВ А1-А2-+А3) | |
| Климатическое исполнение и категория размещения по ГОСТ 15150-69 | УХЛ4 | |
| Степень защиты реле по корпусу / по клеммам | IP40/IP20 | |
| Степень загрязнения в соответствии с ГОСТ 9920-89 | 2 | |
|
Относительная влажность воздуха
|
% |
до 80 (при 250С)
|
|
Высота над уровнем моря
|
м |
до 2000
|
|
Рабочее положение в пространстве
|
произвольное
|
|
|
Режим работы
|
непрерывный
|
|
|
Габаритные размеры
|
мм |
22х93х62
|
|
Масса
|
кг |
0,09
|
1) При боковых зазорах не менее 5 мм, температуре окружающей среды не выше 35°С и температуре корпуса не выше 55°С. При установке без зазоров, указанные значения тока снижаются в 2 раза
РАСПОЛОЖЕНИЕ КЛЕММ
В изделиях с исполнением ACDC24В/АС230В напряжение питания ACDC24В подаётся на клеммы «+А3», «А2», при питании реле постоянным напряжением «+Uпит» подключать на клемму «+А3». Напряжение питания АС230В подаётся на клеммы «А1», «А2».
ПРИМЕР СХЕМЫ ПОДКЛЮЧЕНИЯ РЕЛЕ
ГАБАРИТНЫЕ РАЗМЕРЫ РЕЛЕ
ТУ 3425-007-31928807-2014
Сертификат соответствия EAC: смотреть
Форум и обсуждения - здесь
| Наименование |
Заказной код
(артикул)
|
Наименование файла | Файл для скачивания | Дата файла |
| РВЦ-П2-22 ACDC24В/АС230В УХЛ4 | 4640016936694 | Руководство по эксплуатации | .PDF Скачать v12 | 03.23 |
Русский





