Реле времени РВО-П3-22 многофункциональное, дискретная установка, 2 переключающих контакта, только УХЛ4
|
РВО-П3-22 ACDC24В/AC230В УХЛ4
|
стандарт |
3687.00 руб. с НДС
|
-
Диапазон выдержки времени от 0,01с до 99,9ч
-
Установка выдержки времени осуществляется с помощью трёх декадных кнопочных переключателей
-
16 диаграмм работы
-
2 переключающие группы контактов 3А 250В
-
Индикатор наличия питания и состояния встроенного реле
НАЗНАЧЕНИЕ РЕЛЕ
Однокомандное реле времени РВО-П3-22 предназначено для коммутации электрических цепей с предварительно установленной выдержкой времени и алгоритмами работы определяемыми диаграммами представленными в таблице ниже.
КОНСТРУКЦИЯ РЕЛЕ
Реле выпускаются в унифицированном пластмассовом корпусе с передним присоединением проводов питания и коммутируемых электрических цепей. Крепление осуществляется на монтажную рейку-DIN шириной 35мм (ГОСТ Р МЭК 60715-2003) или на ровную поверхность. Для установки реле на ровную поверхность замки необходимо раздвинуть. Конструкция клемм обеспечивает зажим проводов сечением до 2,5мм2. На лицевой панели реле расположены: три дискретных переключателя установки выдержки времени t (установка значений единиц 0-9, десятков 0-9 и сотен 0-9), зелёный индикатор включения напряжения питания «U», жёлтый индикатор срабатывания встроенного реле. На левой боковой панели расположены два блока (по четыре в каждом) DIP переключателей, для установки значения множителя времени задержки и выбора диаграммы работы реле.
РАБОТА РЕЛЕ
Реле имеет 8 диапазонов выдержки времени. Требуемая выдержка времени t определяется путём умножения числового значения, установленного на переключателях «единицы», «десятки» и «сотни», на множитель диапазона определяемого положением DIP переключателей 1,2,3. DIP переключатель 4 служит для включения функции мгновенного контакта (МК) на группе 22-21-24 встроенного реле. Положение DIP переключателей для значения множитель показано в паспорте ниже.
Диаграмма работы реле определяется положением DIP переключателей 5,6,7,8. Описание работы, положение DIP переключателей и диаграммы работы представлены в таблице ниже.
ВНИМАНИЕ: Смена диаграммы работы и множителей возможна только после снятия напряжения питания. Значения на переключателях «ед», «дес» и «сот», можно изменять при поданном питании на реле.
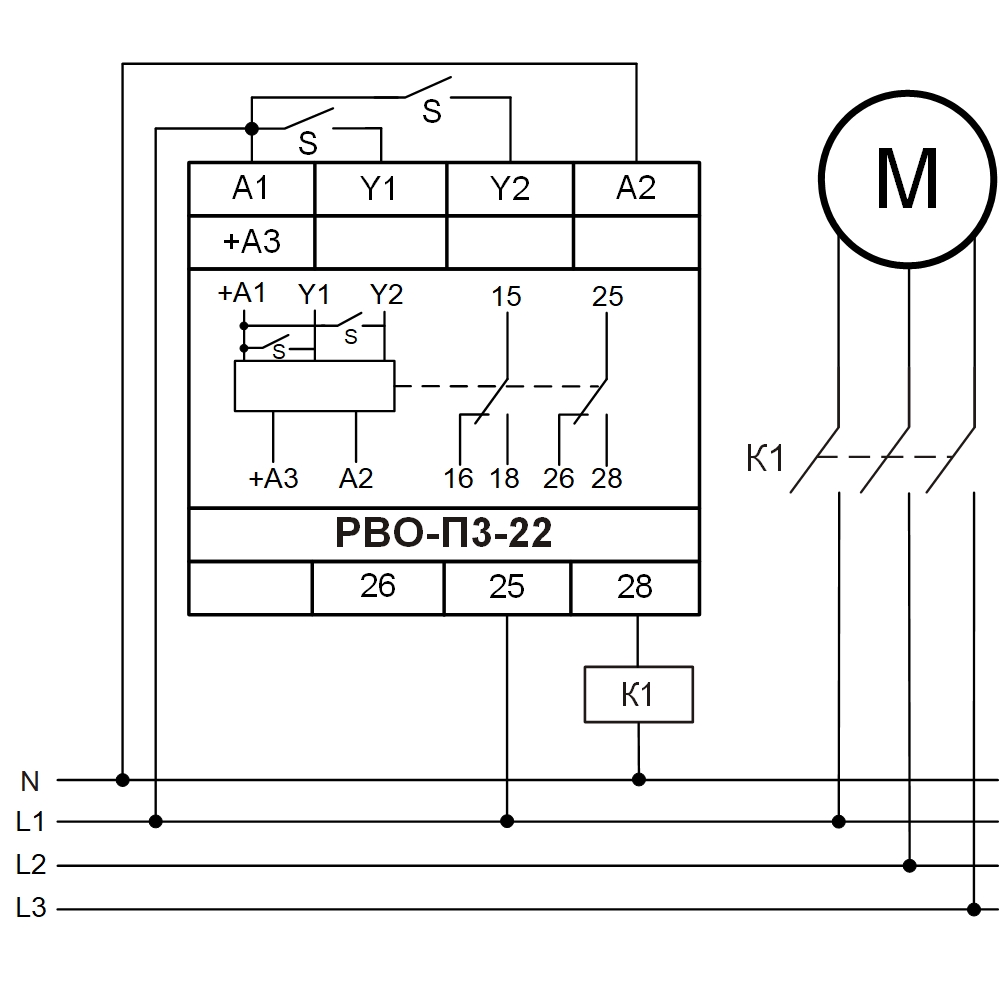
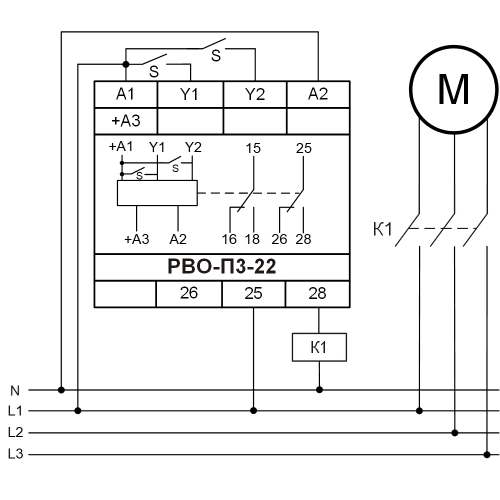
Напряжение питания DC24В подаётся на клеммы «А3+» и «А2», напряжение питания АС230В подается на клеммы «А1» и «А2». Команды внешнего управления подаётся на клеммы «Y1», «Y2» и формируется замыканием сухих контактов «S1», «S2» между клеммами «Y1», «Y2» и клеммой «А3+». Схема подключения реле приведена ниже и на маркировке корпуса реле. После подачи напряжения питания загорается зелёный индикатор «U» реле начинает отрабатывать выбранную диаграмму, во время отсчёта заданной выдержки времени зелёный индикатор «U» мигает. Реле содержит два встроенных электромагнитных реле с контактными группами (18-16-15, 26-25-28). При положении DIP переключателя 4 в положении ОFF оба встроенных реле работают синхронно. При положении DIP переключателя 4 в положении ОN (функция МК) встроенное реле (контактная группа 18-16-15) работает по заданной диаграмме а встроенное реле (контактная группа 26-25-28) работает по диаграмме МК. Жёлтый индикатор сигнализирует о включении встроенного реле (контактная группа 18-16-15).
|
Параметр
|
Ед.имз.
|
РВО-П3-22
|
|
Напряжение питания
|
В
|
АСDC24/AC230
|
|
Диапазоны выдержки времени
|
|
0,01-9,99с, 0,1-99,9с, 1-999с, 10-9990с, 0,1-99,9мин, 1-999мин, 10-9990мин, 0,1-99,9ч
|
| Погрешность установки выдержки времени, не более | % | 10 |
| Погрешность отсчета выдержки времени, не более | % | 2 |
|
Время готовности, не более
|
с
|
0,15
|
|
Время повторной готовности, не более
|
с
|
0,1
|
|
Время воздействия управляющего сигнала, не менее
|
с
|
0,05
|
|
Диаграммы работы
|
|
1, 2, 3, 4, 5, 11, 12, 19, 20, 21, 22, 23, 24, 28, 29, 30, МК
|
| Ток 1 группы коммутируемый, максимальный: (240В АС1 50Гц) / (30В DC1) | А | 3 |
| Ток всех групп суммарный, максимальный1) (240В АС1 50Гц) / (30В DC1) | А | 4.5 |
| Максимальное коммутируемое напряжение | В | 400 (AC1/2A) |
|
Максимальная коммутируемая мощность: АС250В 50Гц (АС1) / DC30В (DC1)
|
ВА/Вт
|
2000/240
|
|
Максимальное напряжение между цепями питания и контактами реле
|
В
|
АС2000 (50Гц - 1мин)
|
| Потребляемая мощность, не более | Вт | 2 |
|
Механическая износостойкость, не менее
|
циклов
|
1х107
|
|
Электрическая износостойкость, не менее
|
циклов
|
1х105 |
|
Количество и тип контактов
|
|
2 переключающие группы
|
|
Диапазон рабочих температур
|
0С
|
-10...+55 (УХЛ4)
|
|
Температура хранения
|
0С
|
-40...+70
|
|
Помехоустойчивость от пачек импульсов в соответствии с ГОСТ Р 51317.4.4-99 (IEC/EN 61000-4-4)
|
уровень 3 (2кВ/5кГц) | |
|
Помехоустойчивость от перенапряжения в соответствии с ГОСТ Р 51317.4.5-99 (IEC/EN 61000-4-5)
|
уровень 3 (2кВ А1-А2) | |
|
Климатическое исполнение и категория размещения по ГОСТ 15150-69 (без образования конденсата)
|
УХЛ4 (без образования конденсата) | |
| Степень защиты по корпусу/по клеммам по ГОСТ 14254-96 | IP40/IP20 | |
| Степень загрязнения в соответствии с ГОСТ 9920-89 | 2 | |
|
Относительная влажность воздуха
|
%
|
до 80 при 250С
|
|
Высота над уровнем моря
|
м
|
до 2000
|
|
Рабочее положение в пространстве
|
|
произвольное
|
|
Режим работы
|
|
круглосуточный
|
|
Габаритные размеры
|
мм
|
22х93х63
|
|
Масса
|
кг
|
0,1
|
ДИАГРАММЫ РАБОТЫ РЕЛЕ РВО-П3-22
РАСПОЛОЖЕНИЕ КЛЕММ
ПРИМЕР СХЕМЫ ПОДКЛЮЧЕНИЯ РЕЛЕ
ГАБАРИТНЫЕ РАЗМЕРЫ РЕЛЕ
ТУ 3425-007-31928807-2014
Сертификат соответствия EAC: смотреть
Форум и обсуждения здесь
| Наименование |
Заказной код
(артикул)
|
Наименование файла | Файл для скачивания | Дата файла |
| РВО-П3-22 ACDC24/AC230В УХЛ4 | 4640016936687 | Руководство по эксплуатации | PDF Скачать v12 | 07.24 |
Русский




