Реле времени РВО-П3-08, РВО-П3-081 многофункциональное, дискретная установка, 2 переключающих контакта, широкое питание, РВО-П3-081 с мгновенным контактом, только УХЛ4
|
РВО-П3-08 ACDC24-240В УХЛ4
|
стандарт |
3687.00 руб. с НДС
|
|
РВО-П3-081 ACDC36-240В УХЛ4
|
стандарт |
3818.00 руб. с НДС
|
|
РВО-П3-081 ACDC24В УХЛ4
|
спец. изделие |
5152.00 руб. с НДС
|
-
Диапазон выдержки времени от 0,01с до 99,9ч
-
Установка выдержки времени осуществляется с помощью трёх декадных кнопочных переключателей
-
14 диаграмм работы
-
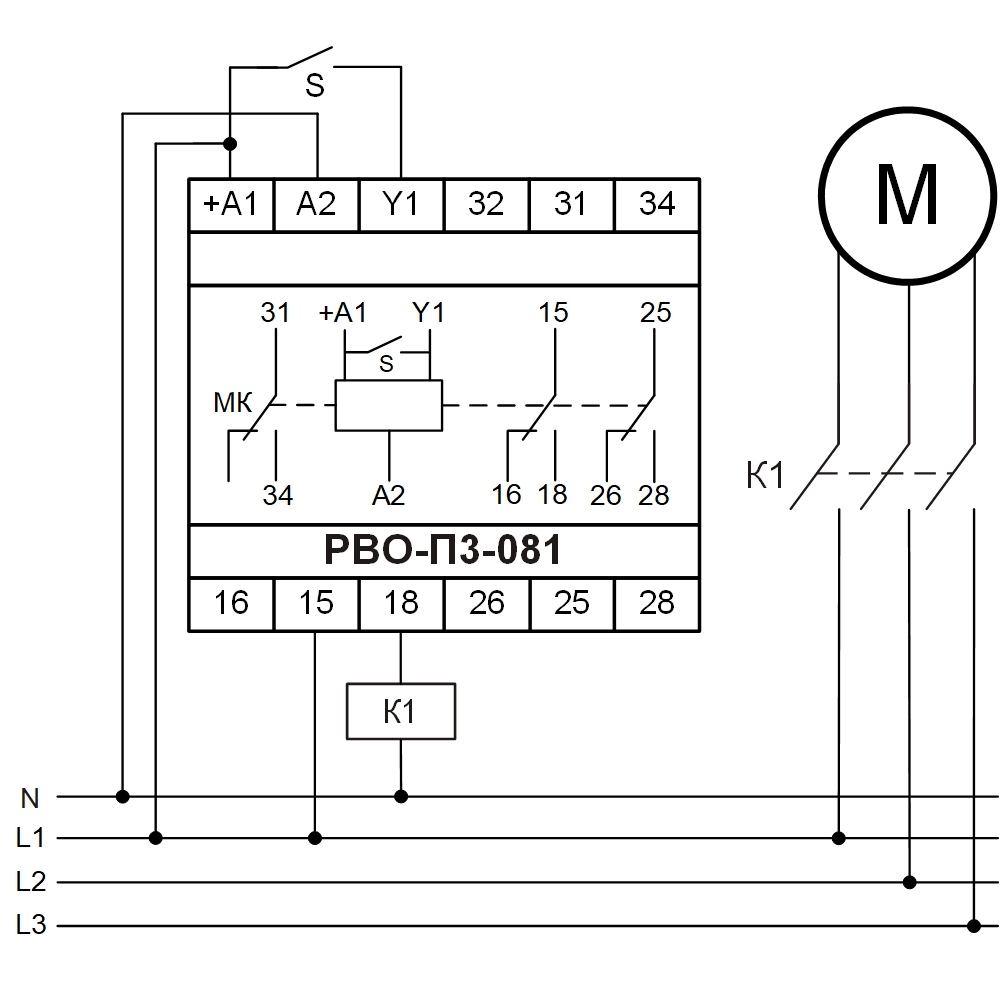
Контакт мгновенного действия (только в реле РВО-П3-081)
-
2 переключающие группы контактов 8А/250В
-
Индикатор наличия питания и состояния встроенного реле
-
Корпус шириной 35мм
НАЗНАЧЕНИЕ РЕЛЕ
Реле времени РВО-П3-08 и РВО-П3-081 предназначены для коммутации электрических цепей с предварительно установленной выдержкой времени и алгоритмом работы.
КОНСТРУКЦИЯ РЕЛЕ
Реле выпускаются в унифицированном пластмассовом корпусе с передним присоединением проводов питания и коммутируемых электрических цепей. Крепление осуществляется на монтажную рейку-DIN шириной 35 мм (ГОСТ Р МЭК 60715-2003) или на ровную поверхность. Для установки реле на ровную
поверхность, фиксаторы замков необходимо переставить в крайние отверстия, расположенные на тыльной стороне корпуса. Конструкция клемм обеспечивает надёжный зажим проводов сечением до 2,5мм2. Имеется возможность пломбирования крышки корпуса. Пломбировочная крышка поставляется отдельно по желанию заказчика. Наличие пломбировочной крышки повышает степень защиты от воздействия статического электричества и позволяет исключить несанкционированный доступ к органам управления выдержкой времени.
На лицевой панели реле расположены: три нажимных дискретных переключателя установки выдержки времени t (установка значений единиц 0-9, десятков 0-9 и сотен 0-9), дискретный поворотный переключатель множитель для выбора временного диапазона, дискретный поворотный переключатель «диагр.» для выбора диаграммы работы, зелёный индикатор наличия напряжения питания «U», жёлтый индикатор срабатывания встроенного исполнительного реле «
».
».
РАБОТА РЕЛЕ
Реле имеет 7 диапазонов выдержки времени. Требуемая временная выдержка t определяется путём умножения числового значения, установленного на переключателях «cотни», «десятки» и «единицы» на множитель, который определяется положением указателя переключателя «множ.». Переключатель «множ.» имеет три дополнительных положения:
- «8» реле работает по диаграмме №8 время t паузы и импульса равны и определяются путём умножения числового значения, установленного на переключателях «сотни», «десятки» и «единицы» на 0,1с;
- «9» реле работает по диаграмме №9 время t паузы и импульса равны и определяются путём умножения числового значения, установленного на переключателях «сотни», «десятки» и «единицы» на 0,1с;
- «30» реле работает по диаграмме №30 время t и определяются путём умножения числового значения, установленного на переключателях «сотни», «десятки» и «единицы» на 0,1с.
Диаграмма работы реле выбирается с помощью переключателя «диагр.». Переключатель имеет десять положений «1»-«2»-«3»-«4»-«11»-«12»-«22»-«23»-«28»-«29». Положение указателя переключателя определяет номер диаграммы работы реле. Если переключатель «множ.» установлен в одно из трѐх положений «8», «9» или «30», то переключатель «диагр.» отключѐн и может находится в любом положении.
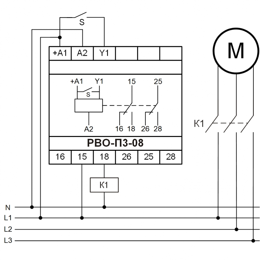
В обесточенном состоянии замкнуты контакты 15-16, 25-26 и 31-32 (для реле РВО-П3-081). После подачи напряжения питания загорается зелёный индикатор «U». Реле начинает отрабатывать выбранную диаграмму работы, во время отсчёта выдержки времени зелёный индикатор «U» мигает. При включении исполнительного реле загорается жёлтый индикатор «
» при этом замыкаются контакты 15-18, 25-28 и 31-34 (для реле РВО-П3-081).
» при этом замыкаются контакты 15-18, 25-28 и 31-34 (для реле РВО-П3-081).
ВНИМАНИЕ: Смена диаграммы работы и множителей возможна только после снятия напряжения питания. Значения на переключателях «сотни», «десятки» и «единицы», можно изменять при поданном питании на реле.
Напряжение питания подаётся на клеммы «+А1» и «А2». При подключении реле в цепь с постоянным напряжением питания положительный провод подключается к клемме «+А1», отрицательный к «А2». Полярность соблюдать обязательно.
Команда внешнего управления подаётся на клемму «Y1» и формируется замыканием сухого контакта «S» между клеммой «Y1» и клеммой «+А1».
|
Параметр
|
Ед.имз.
|
РВО-П3-08 АСDC24-240B
|
РВО-П3-081 АСDC24В
|
РВО-П3-081 АСDC36-240B
|
|
Напряжение питания
|
В
|
АСDC24-240
|
АСDC24 ± 10%
|
ACDC36-240
|
|
Диапазоны выдержки времени
|
|
0.01–9.99 с, 0.1–99.9 с, 1–999 с, 10–9990 с, 0.1–99.9 мин, 1–999 мин, 0.1–99.9 ч.
|
||
|
Время готовности, не более
|
с
|
0,15
|
||
|
Время повторной готовности, не более
|
с
|
0,1
|
||
|
Погрешность отсчета выдержки времени, не более
|
%
|
2 | ||
|
Время воздействия управляющего сигнала, не менее
|
с
|
0,05
|
||
|
Диаграммы работы
|
|
1, 2, 3, 4, 11, 12, 23, 24, 28, 29
|
||
|
Дополнительная диаграмма работы (диапазон 0,1-99,9с)
|
|
8, 9, 30
|
||
|
Максимальный коммутируемый ток:
АС250В 50 Гц(АС1)/DC30B (DC1)
|
А
|
8
|
||
| Максимальное коммутируемое напряжение | В | AC 250 | ||
|
Максимальная коммутируемая мощность: АС250В 50Гц (АС1) / DC30В (DC1)
|
ВА/Вт
|
2000/240
|
||
|
Максимальное напряжение между цепями питания и контактами реле
|
В
|
АС2000 (50Гц - 1мин)
|
||
|
Механическая износостойкость, не менее
|
циклов
|
10х106
|
||
|
Электрическая износостойкость, не менее
|
циклов
|
100000
|
||
|
Количество и тип контактов
|
|
2 переключающие группы
|
2 переключающие группы + контакт мгновенного действия (МК)
|
|
|
Диапазон рабочих температур
|
0С
|
-10+55
|
||
|
Температура хранения
|
0С
|
-40...+70
|
||
|
Помехоустойчивость от пачек импульсов в соответствии с ГОСТ Р 51317.4.4-99 (IEC/EN 61000-4-4)
|
уровень 3 (2кВ/5кГц) | |||
|
Помехоустойчивость от перенапряжения в соответствии с ГОСТ Р 51317.4.5-99 (IEC/EN 61000-4-5)
|
уровень 3 (2кВ А1-А2) | |||
|
Климатическое исполнение и категория размещения по ГОСТ 15150-69 (без образования конденсата)
|
УХЛ4 | |||
| Степень защиты по корпусу/по клеммам по ГОСТ 14254-96 | IP40/IP20 | |||
|
Относительная влажность воздуха
|
%
|
до 80 (при 250С)
|
||
|
Высота над уровнем моря
|
м
|
до 2000
|
||
|
Рабочее положение в пространстве
|
|
произвольное
|
||
|
Режим работы
|
|
круглосуточный
|
||
|
Габаритные размеры
|
мм
|
35х90х63
|
||
|
Масса
|
кг
|
0,116
|
||
ДИАГРАММЫ РАБОТЫ РЕЛЕ РВО-П3-08 и РВО-П3-081
РАСПОЛОЖЕНИЕ КЛЕММ
ГАБАРИТНЫЕ РАЗМЕРЫ РЕЛЕ
ТУ 3425-003-31928807-2014
Сертификат соответствия EAC: смотреть
Задать вопрос можно тут - ВК
| Наименование |
Заказной код
(артикул)
|
Наименование файла | Файл для скачивания | Дата файла |
|
РВО-П3-08 ACDC24-240В УХЛ4 РВО-П3-081 ACDC36-240В УХЛ4 РВО-П3-081 ACDC24В УХЛ4 |
4640016930753 4640016936298 4640016930760 |
Руководство по эксплуатации | PDF Скачать v10 | 05.25 |
| PDF Скачать v09 | 02.25 | |||
| РВО-П3-08 ACDC24-240В УХЛ4 | 4640016930753 | 3D модель | STEP Скачать | 05.25 |
|
РВО-П3-081 ACDC36-240В УХЛ4 РВО-П3-081 ACDC24В УХЛ4 |
4640016936298 4640016930760 |
STEP Скачать | 05.25 |
Русский






